Опис
Розумний замок SEVEN LOCK SL-7740BF СІРИЙ (Врізна частина 5050)
Розумний електронний замок SEVEN LOCK.
Замок управляється: Bluetooth, Face ID (50), ПІН-кодом (150), відбитком пальця (200), картками/брелками MIFARE (200), брелком Bluetooth, Wi-Fi (опціонально), механічним ключем (2). Повне управління та налаштування замка через Bluetooth, Wi-Fi - через мобільний додаток. Електронний ключ. Можливість задавати час доступу по кожному користувачеві. Голосове повідомлення про подію українська/російська. Записи відкриття замка. Перемикач електронного блокування замка.
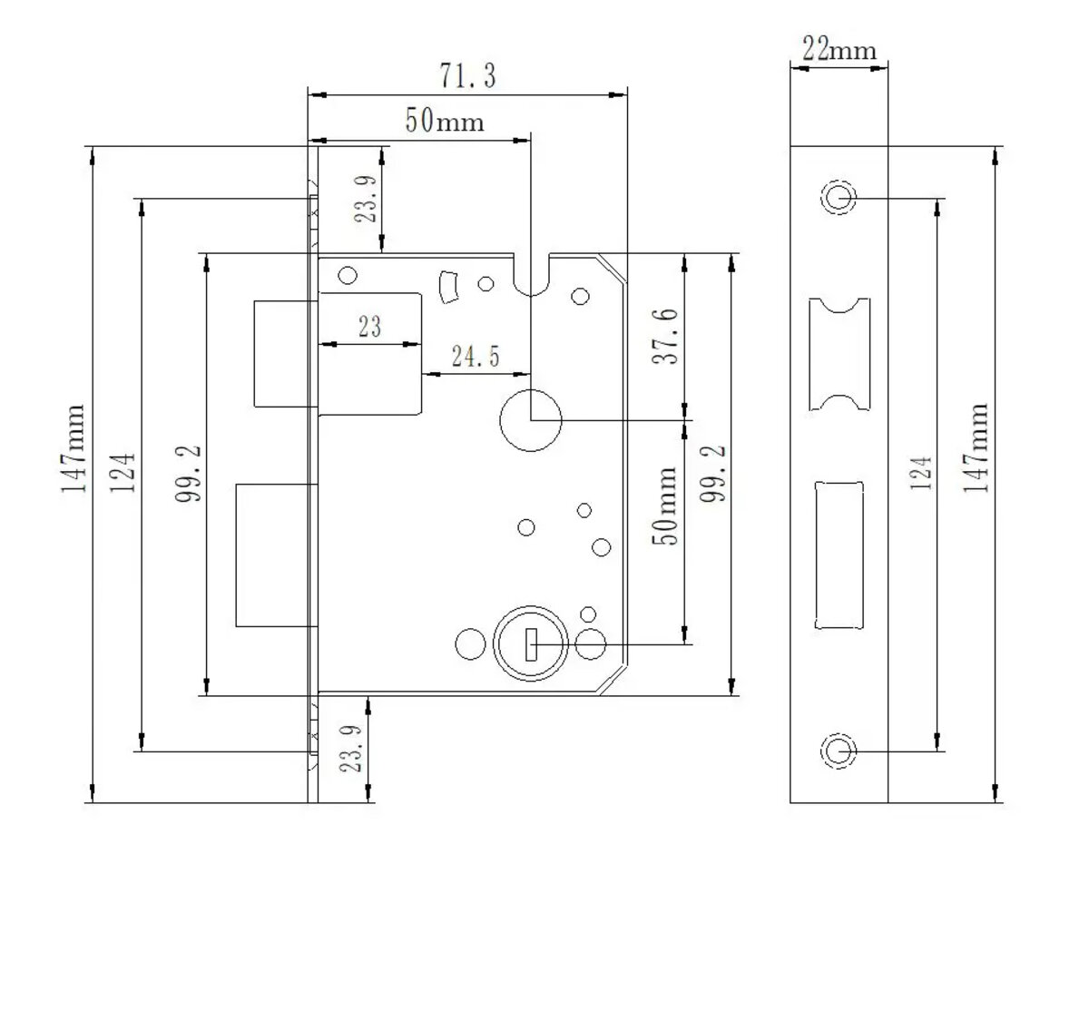
Не потребує прокладання дротів, працює від акумулятора який іде в комплекті. У комплекті картки R-82 - 3 шт, врізна частина: Вх240 мм Гх91 мм Шх22 мм, backset 60 мм.
Розміри накладки без ручки: 370*78.7*27 мм. Колір: чорний.
Підходить для дверей товщиною 35-100 мм
DOORWOOD - це не просто фабрика дверей, це місце, де народжується якісна та надійна фурнітура, яка підкреслить красу ваших дверей. З нами ви можете бути впевнені, що купуєте якісну та надійну фурнітуру, яка прослужить вам довгі роки.































